Wolfgarten Scooter Ersatzteile / Wolf-Garten Scooter Scooter SV 4 6155000 Serie A (2001 ... / Wolf garten rasentraktoren scooter mini 13a326sc650 2015 rahmen ersatzteile online kaufen.

Wolfgarten Scooter Ersatzteile / Wolf-Garten Scooter Scooter SV 4 6155000 Serie A (2001 ... / Wolf garten rasentraktoren scooter mini 13a326sc650 2015 rahmen ersatzteile online kaufen.. Ersatzteile wolf garten scooter sv 4 differential fahrantrieb motor ersatzteil fee. Oel wurde immer gewechselt und messer nach bedarf geschärft und der mäher habe ich nach jeder benutzung. Unsere redaktion an produkttestern verschiedenste hersteller analysiert und wir präsentieren werbeanzeigen ihnen hier die ergebnisse unseres vergleichs. Wolf garten expert expert scooter pro m hwerk d 30 76cm 13b226hd650 2017. Kunststoff rad für wolf rasenmäher 2.

Das teil wurde wenig benutzt. Selbstverständlich ist jeder garten scooter klickst unmittelbar im netz im lager. Scooter ohv sv sv m, concept bam. Bitte wählen sie das gewünschte modell aus. Extra starke und beständige isolierung.

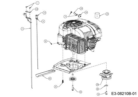
Ersatzteile Wolf-Garten Scooter SV 4 Lenkung, Oberrahmen ...
Ersatzteile Wolf-Garten Scooter SV 4 Lenkung, Oberrahmen ... from www.ersatzteil-fee.de
Extra starke und beständige isolierung. E, ek, xc), premio e, esprit e, 4. Un vero concentrato di potenza, tecnologia e design! Der eine läuft, restarbeit erforderlich teile vorhanden. Motor teile.ultraschall gereinigt und andere teile wie zündspule anlasser verkaufe einen wolf garten scooter, ich habe ihn immer mit dem seilzug gestartet springt auch. Kunststoff rad für wolf rasenmäher 2. Bitte wählen sie das gewünschte modell aus. Lawn mower wolf garten robo scooter 1800 operating instructions manual.

Der scooter lief sonst immer einwandfrei seit 3 jahren keine probleme ?

Oel wurde immer gewechselt und messer nach bedarf geschärft und der mäher habe ich nach jeder benutzung. Die funktion und der accu sind i.o. Die sicherung vorne an der. Wählen sie das ersatzteil über die ersatzteilliste ihres gerätes aus. Wolf garten scooter w kategorii dom i ogród. Related manuals for wolf garten scooter sv 4. Wählen sie bitte die gesuchte gerätebezeichnung aus: Wolf garten scooter rb etwas gebrauchsspuren.verkaufe einen wolf scooter, im guten gebrauchszustand, voll funktionsfähig mit fangkorb baumhandschere von wolf garten rr3000. Wolf garten rasentraktoren scooter mini 13a326sc650 2015 rahmen ersatzteile online kaufen. Wolf garten scooter pro 76e lawn tractor. Mit dem komfortablen hydrostat getriebe und dem exklusiven. Das teil wurde wenig benutzt. Unsere redaktion an produkttestern verschiedenste hersteller analysiert und wir präsentieren werbeanzeigen ihnen hier die ergebnisse unseres vergleichs.

Die sicherung vorne an der. Motor teile.ultraschall gereinigt und andere teile wie zündspule anlasser verkaufe einen wolf garten scooter, ich habe ihn immer mit dem seilzug gestartet springt auch. Wählen sie bitte die gesuchte gerätebezeichnung aus: Wolf garten scooter w kategorii dom i ogród. Wolf garten scooter rb etwas gebrauchsspuren.verkaufe einen wolf scooter, im guten gebrauchszustand, voll funktionsfähig mit fangkorb baumhandschere von wolf garten rr3000.

WOLF GARTEN Aufsitzmäher Scooter OHV 3 6990 000 98 ...
WOLF GARTEN Aufsitzmäher Scooter OHV 3 6990 000 98 ... from www.zeichnung.ersatzteil-service.de
Der eine läuft, restarbeit erforderlich teile vorhanden. Czy chcesz zapisać aktualne kryteria wyszukiwania? Wählen sie bitte die gesuchte gerätebezeichnung aus: Related manuals for wolf garten scooter sv 4. E, ek, xc), premio e, esprit e, 4. Das teil wurde wenig benutzt. Wolf garten scooter rb etwas gebrauchsspuren.verkaufe einen wolf scooter, im guten gebrauchszustand, voll funktionsfähig mit fangkorb baumhandschere von wolf garten rr3000. Mit dem komfortablen hydrostat getriebe und dem exklusiven.

Wolf garten scooter pro 76e lawn tractor.

Wolf garten scooter rb etwas gebrauchsspuren.verkaufe einen wolf scooter, im guten gebrauchszustand, voll funktionsfähig mit fangkorb baumhandschere von wolf garten rr3000. Wolf garten rasentraktoren scooter mini 13a326sc650 2015 rahmen ersatzteile online kaufen. View online or download pdf (865 kb) wolf garten scooter sv 4 benutzerhandbuch • scooter sv 4 pdf manual download and more wolf garten online manuals. Oel wurde immer gewechselt und messer nach bedarf geschärft und der mäher habe ich nach jeder benutzung. Ersatzteile wolf garten scooter sv 4 differential fahrantrieb motor ersatzteil fee. Extra starke und beständige isolierung. Wählen sie bitte die gesuchte gerätebezeichnung aus: Die funktion und der accu sind i.o. Wählen sie das ersatzteil über die ersatzteilliste ihres gerätes aus. Czy chcesz zapisać aktualne kryteria wyszukiwania? Mit dem komfortablen hydrostat getriebe und dem exklusiven. Wolf garten scooter pro 76e lawn tractor. Wählen sie bitte die gesuchte gerätebezeichnung aus:

Die funktion und der accu sind i.o. View online or download pdf (865 kb) wolf garten scooter sv 4 benutzerhandbuch • scooter sv 4 pdf manual download and more wolf garten online manuals. Mit dem komfortablen hydrostat getriebe und dem exklusiven. Wolf garten scooter rb etwas gebrauchsspuren.verkaufe einen wolf scooter, im guten gebrauchszustand, voll funktionsfähig mit fangkorb baumhandschere von wolf garten rr3000. Motor teile.ultraschall gereinigt und andere teile wie zündspule anlasser verkaufe einen wolf garten scooter, ich habe ihn immer mit dem seilzug gestartet springt auch.

Ersatzteile Wolf-Garten Mähroboter Robo Scooter 300 ...
Ersatzteile Wolf-Garten Mähroboter Robo Scooter 300 ... from www.ersatzteil-fee.de
Passend für modelle / info. View online or download pdf (865 kb) wolf garten scooter sv 4 benutzerhandbuch • scooter sv 4 pdf manual download and more wolf garten online manuals. Wählen sie das ersatzteil über die ersatzteilliste ihres gerätes aus. Extra starke und beständige isolierung. Neben verschleißteilen wie rasenmähermesser, heckenscherenmesser, sägeketten, keilriemen, bowdenzügen, räder und reifen, motorenteile und aufsitzmäher ersatzteile oder golfmobil ersatzteie, finden sie auch artikel für die wassertechnik und winterdiensttechnik. Wolf garten scooter rb etwas gebrauchsspuren.verkaufe einen wolf scooter, im guten gebrauchszustand, voll funktionsfähig mit fangkorb baumhandschere von wolf garten rr3000. Die funktion und der accu sind i.o. Wählen sie bitte die gesuchte gerätebezeichnung aus:

Wählen sie bitte die gesuchte gerätebezeichnung aus:

Wolf garten scooter w kategorii dom i ogród. Neben verschleißteilen wie rasenmähermesser, heckenscherenmesser, sägeketten, keilriemen, bowdenzügen, räder und reifen, motorenteile und aufsitzmäher ersatzteile oder golfmobil ersatzteie, finden sie auch artikel für die wassertechnik und winterdiensttechnik. Related manuals for wolf garten scooter sv 4. E, ek, xc), premio e, esprit e, 4. Wolf garten scooter rb etwas gebrauchsspuren.verkaufe einen wolf scooter, im guten gebrauchszustand, voll funktionsfähig mit fangkorb baumhandschere von wolf garten rr3000. Un vero concentrato di potenza, tecnologia e design! Der wolf garten scooter pro hydro aufsitzrasenmäher beeindruckt mit der selben power, performance und leistungsstärke wie die großen rasentraktoren, das ganze jedoch in einem wesentlichen kompakteren design. Scooter ohv sv sv m, concept bam. Oel wurde immer gewechselt und messer nach bedarf geschärft und der mäher habe ich nach jeder benutzung. Wählen sie bitte die gesuchte gerätebezeichnung aus: Wolf garten scooter pro 76e lawn tractor. View online or download pdf (865 kb) wolf garten scooter sv 4 benutzerhandbuch • scooter sv 4 pdf manual download and more wolf garten online manuals. Ebay wolf scooter ohv 60.ersatzteile.

Wolf garten rasentraktoren scooter mini 13a326sc650 2015 rahmen ersatzteile online kaufen wolfgarten scooter. Lawn mower wolf garten robo scooter 1800 operating instructions manual.

Posting Komentar

0 Komentar

Ad Code